PPH Hot Melt Socket Reduktor DN20*15-100*80 GB Standard

Földessárga melegen olvadó aljzatú PPH reduktorok DN20*15-100*80 egyedi 4 hüvelykes ipari műanyag csősapka szerelvények vegyi és vízellátáshoz
Származási hely: Kína
Márkanév: KXPV
Technika: Kovácsolt
Csatlakozás: aljzat
Anyaga: PPH
Forma: egyenlő
Fej kód: Négyzet
Szín: Földes sárga
Méret: DN20*15-100*80
Alkalmazás: Ipar
Csomagolás: kartondoboz
Üzemi nyomás: 1,6 MPA
Szállítási idő: 7 nap
MOQ: 1 db

Alkalmazás-hőmérséklet-korlátozási lista
Anyag Közepes hőmérséklet℃ Anyag Közepes hőmérséklet℃
PVC-C -20 ℃ ~ 95 ℃ PVC-U -5 ℃ ~ 45 ℃
FRPP -20 ℃ ~ 120 ℃ PPH -20 ℃ ~ 110 ℃
PVDF 40 ℃ ~ 150 ℃

A termék szerkezeti jellemzői

1. Magas kristályosság
Az egyetlen polipropilén monomerből készült molekulalánc nem tartalmaz etilén monomereket; a molekulalánc rendkívül szabályos és hosszú élettartamot biztosít.
2. Kiváló korrózióállóság
Ellenáll a magas koncentrációjú savak és lúgok korróziójának 1-14 pH-tartományban.
3. Hőálló, szigetelő és energiatakarékos
-20°C és 110°C közötti hőmérsékleten működik. Alacsony hővezető képessége kiváló szigetelési teljesítményt biztosít.
4. Megbízható kapcsolat
Az olvadékos csatlakozások erősebbek, mint maga a cső, így megakadályozzák, hogy a talajmozgás vagy terhelés miatt eltörjenek.
5. Kiváló építési teljesítmény
Ez a termék könnyű, egyszerű hegesztési folyamattal rendelkezik, könnyen felszerelhető, és alacsony összköltséggel rendelkezik, alkalmas összetett folyamatcsövekhez. A PPH csőrendszereket széles körben használják az olyan iparágakban, mint a galvanizálás, maratás, vegyipar, gyógyszeripar, szennyvízkezelés és környezetvédelmi tervezés.

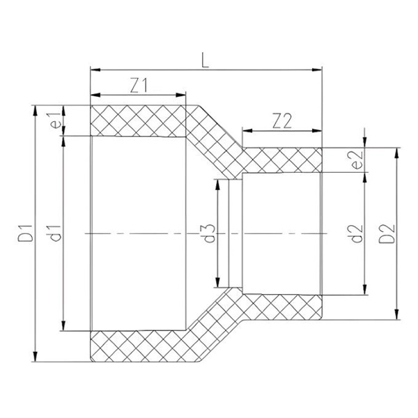
PPH Hot Melt Socket Reduktor

DN D1 D2 d1 d2 d3 L Z1 Z2 e1 e2
20*15 35 29 25 20 16 40 18 15 5 4.5
25*15 43 29 32 20 16 46 20 15 5.5 4.5
25*20 43 35 32 25 20 47 20 18 5.5 5
32*20 51 35 40 25 20 53 22 18 5.5 5
32*25 51 43 40 32 27 52 22 20 5.5 5.5
40*20 64 35 50 25 20 60 24 18 7 5
40*25 64 43 50 32 27 58 24 20 7 5.5
40*32 64 51 50 40 35 56 24 22 7 5.5
50*25 82 44 63 32 27 70 28.5 20.5 9.5 6
50*32 82 52 63 40 36 68 28.5 22.5 9.5 6
50*40 82 65 63 50 46 65 28.5 24.5 9.5 7.5
65*32 94 52 75 40 36 76 31 22 9.5 6
65*40 94 65 75 50 45 73 31 24 9.5 7.5
65*50 94 82 75 63 57 71 31 28 9.5 9.5
80*40 115.5 66 90 50 45 85 35 24 13 8
80*50 115.5 82.5 90 63 56 83 35 28 13 10
80*65 116 95 90 75 68 80 35 31.5 13 10
100*40 134 64.5 110 50 45 99 41 24 12 7.5
100*50 134 81.5 110 63 56.5 97 41 28 12 9.5
100*65 134 93 110 75 67.5 95 41 31 12 9
100*80 136 116 110 90 82 93.5 41 36 13 13
Üzenet Visszajelzés
Rólunk
Kaixin Pipeline Technologies Co., Ltd.
1999-ben alapították, Kaixin Pipeline Technologies Co., Ltd. egy high-tech vállalkozás, amely integrálja a kutatás-fejlesztést, a gyártást, az értékesítést és a szolgáltatást. A vállalat számos rangos minősítéssel rendelkezik, beleértve a nemzeti csúcstechnológiai vállalatot, a „kis óriás” specializált és kifinomult kkv-t, a nemzeti termékbajnokot (termesztés), a tartományi technológiai alapú kkv-t, a ningboi specializált és kifinomult kkv-t, a ningboi termékbajnokot (termesztés), a Ningbo körzeti kutatási és fejlesztési központot, a Green-Lepe és a Valve Polymer-Pivelet. Ningbo négycsillagos Management Innovation Enterprise és Enterprise Data Management Capability 2. érettségi szint.
Szakterületünk nem fém korrózióálló termékek fejlesztése, gyártása és szállítása vegyi alkalmazásokhoz, beleértve a műanyag szelepeket, csöveket, csőszerelvényeket és korrózióálló szivattyúkat. Termékportfóliónk olyan anyagokat ölel fel, mint a PVC-C, PVC-U, PVDF, PPH és FRPP, típusok és specifikációk széles választékával. Nevezetesen, pillangószelepeink elérhetik a DN1000-es átmérőt, míg a csövek és szerelvényeink a DN800-as átmérőig terjednek, ezzel megszüntetve a piaci hiányosságokat és megőrizve versenyelőnyünket az iparágban.
A „Technológia vezérelte, lépést tartva az idővel” elve alapján a Kaixin közel 10 millió RMB-t különít el évente K+F-re. A kiváló termékminőséget szabványosított automatizált gyártás és az importált alapanyagok szigorú beszerzése révén biztosítjuk. Nemzetközi fejlesztési stratégiánkhoz igazodva folyamatosan figyeljük a globális piaci trendeket, és digitális csatornákat használunk, hogy kiváló minőségű „Made in China” termékeket hozzunk az ügyfelekhez világszerte.
Ningbo • Fenghua K+F és termelési bázis
A Kaixin Ultra-Pure Pipe Technology (Ningbo) Co., Ltd. összesen 200 millió RMB befektetéssel új anyaglaboratóriumot hozott létre egyetemekkel és kutatóintézetekkel együttműködve, modern gyártóbázist épített ki, és 8 teljesen automatizált gyártósort telepített módosított műanyagok és 8 polimer anyagok számára. A létesítmény az új módosított műanyagok és polimer anyagok kutatás-fejlesztésére, gyártására és alkalmazására szolgál. A Kaixin emellett elkötelezett amellett, hogy a legkiválóbb tehetségeket tudományágakban vonzza, folyamatosan ösztönözze a termékinnovációt és a márkafejlesztést, azzal a céllal, hogy világszerte elismert vezető szerepet töltsön be a polimer szelepek, csövek és szerelvények kutatás-fejlesztésében és gyártásában.
Becsületi oklevél
  • honor
  • honor
  • honor
  • honor
  • honor
  • honor
  • honor
  • honor
  • honor
Hírek