Alkalmazás-hőmérséklet-korlátozási lista

Anyag Közepes hőmérséklet℃ Anyag Közepes hőmérséklet℃
PVC-C -20 ℃ ~ 95 ℃ PVC-U -5 ℃ ~ 45 ℃
FRPP -20 ℃ ~ 120 ℃ PPH -20 ℃ ~ 110 ℃
PVDF 40 ℃ ~ 150 ℃

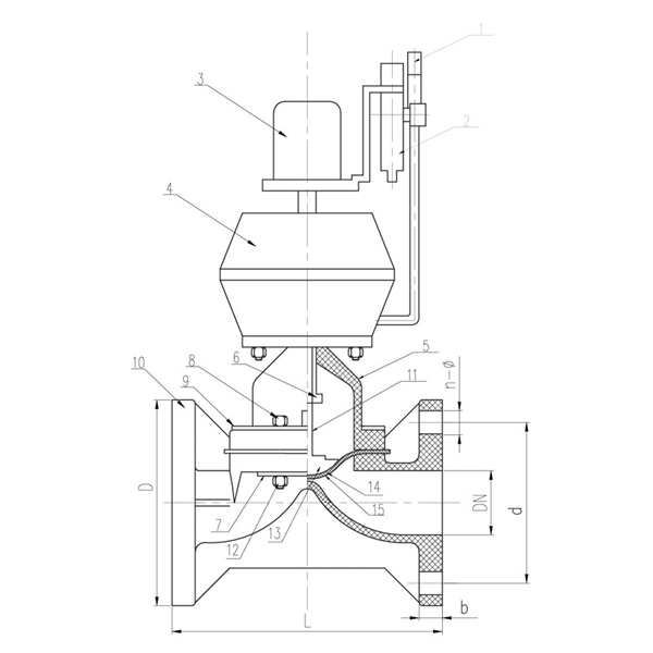
A termék szerkezeti jellemzői

1. A tömítőmembrán F46-ból vagy PFA-ból készül, 120 000-szeres hajtási szilárdsággal és az F4-hez hasonló korrózióállósággal.
2. A csavaros emelőmechanizmus alacsony nyitási és zárási nyomatékot és kiváló stabilitást biztosít.
3. Az aktuátor távolról vezérelhető számítógépen vagy vezérlőközponton keresztül, a szelep nyitásával és zárásával szabályozva a közeg áramlását és áramlását. Ez nagyobb kényelmet és sebességet biztosít, csökkenti a munkaerőköltségeket, és biztosítja a helyszínen dolgozók biztonságát.

Alkatrész Anyag táblázat

Nem. Név Anyag Menny.
1 Mágnesszelep 1
2 Nyomásmérő 1
3 Jel-visszacsatoló eszköz 1
4 Pneumatikus működtető Alumínium ötvözet 1
5 Motorháztető PPH, PVC-C, PVC-U, PVDF, FRPP 1
6 Yoke Nut SS Acél, Steel 1
7 Platen Q345, SS Steel 2
8 Csavar Acél, rozsdamentes acél 4
9 Platen Q345, SS Steel 2
10 Test PPH, PVC-C, PVC-U, PVDF, FRPP 1
11 Sztem Acél, rozsdamentes acél 1
12 Nut Cap Acél, rozsdamentes acél 4
13 Szeleplemez PPH, PVC-C, PVC-U
FRPP, PVDF/öntöttvas
1
14 Flim EPDM, FPM 1
15 Membrán F46.PFA.PTFE 1
Dimenziólista

D d L b n-Φ
15 95 65 125 14 4-Φ14
20 105 75 135 18 4-Φ14
25 115 85 145 18 4-Φ14
32 135 100 160 18 4-Φ18
40 145 110 180 20 4-Φ18
50 160 125 210 22 4-Φ18
65 180 145 250 24 4-Φ18
80 195 160 300 24 8-Φ18
100 225 180 350 28 8-Φ18
125 245 210 400 30 8-Φ18
150 280 240 455 30 8-Φ23x27
200 335 295 570 40 8-Φ22
250 390 350 680 38 12-Φ23
300 445 400 680 38 12- Φ 23
Üzenet Visszajelzés
Rólunk
Kaixin Pipeline Technologies Co., Ltd.
1999-ben alapították, Kaixin Pipeline Technologies Co., Ltd. egy high-tech vállalkozás, amely integrálja a kutatás-fejlesztést, a gyártást, az értékesítést és a szolgáltatást. A vállalat számos rangos minősítéssel rendelkezik, beleértve a nemzeti csúcstechnológiai vállalatot, a „kis óriás” specializált és kifinomult kkv-t, a nemzeti termékbajnokot (termesztés), a tartományi technológiai alapú kkv-t, a ningboi specializált és kifinomult kkv-t, a ningboi termékbajnokot (termesztés), a Ningbo körzeti kutatási és fejlesztési központot, a Green-Lepe és a Valve Polymer-Pivelet. Ningbo négycsillagos Management Innovation Enterprise és Enterprise Data Management Capability 2. érettségi szint.
Szakterületünk nem fém korrózióálló termékek fejlesztése, gyártása és szállítása vegyi alkalmazásokhoz, beleértve a műanyag szelepeket, csöveket, csőszerelvényeket és korrózióálló szivattyúkat. Termékportfóliónk olyan anyagokat ölel fel, mint a PVC-C, PVC-U, PVDF, PPH és FRPP, típusok és specifikációk széles választékával. Nevezetesen, pillangószelepeink elérhetik a DN1000-es átmérőt, míg a csövek és szerelvényeink a DN800-as átmérőig terjednek, ezzel megszüntetve a piaci hiányosságokat és megőrizve versenyelőnyünket az iparágban.
A „Technológia vezérelte, lépést tartva az idővel” elve alapján a Kaixin közel 10 millió RMB-t különít el évente K+F-re. A kiváló termékminőséget szabványosított automatizált gyártás és az importált alapanyagok szigorú beszerzése révén biztosítjuk. Nemzetközi fejlesztési stratégiánkhoz igazodva folyamatosan figyeljük a globális piaci trendeket, és digitális csatornákat használunk, hogy kiváló minőségű „Made in China” termékeket hozzunk az ügyfelekhez világszerte.
Ningbo • Fenghua K+F és termelési bázis
A Kaixin Ultra-Pure Pipe Technology (Ningbo) Co., Ltd. összesen 200 millió RMB befektetéssel új anyaglaboratóriumot hozott létre egyetemekkel és kutatóintézetekkel együttműködve, modern gyártóbázist épített ki, és 8 teljesen automatizált gyártósort telepített módosított műanyagok és 8 polimer anyagok számára. A létesítmény az új módosított műanyagok és polimer anyagok kutatás-fejlesztésére, gyártására és alkalmazására szolgál. A Kaixin emellett elkötelezett amellett, hogy a legkiválóbb tehetségeket tudományágakban vonzza, folyamatosan ösztönözze a termékinnovációt és a márkafejlesztést, azzal a céllal, hogy világszerte elismert vezető szerepet töltsön be a polimer szelepek, csövek és szerelvények kutatás-fejlesztésében és gyártásában.
Becsületi oklevél
  • honor
  • honor
  • honor
  • honor
  • honor
  • honor
  • honor
  • honor
  • honor
Hírek