PVC-C reduktor DN15*20-600*500 1/2*3/4"-24*20" ANSI szabvány

PVC-C PVC csőszerelvények DN1520-600500 Ipari műanyag reduktor tartozékok, vegyi és vízellátáshoz ANSI SCH80 Standard
Származási hely: Kína
Márkanév: KXPV
Eljárás: kovácsolt
Csatlakozás: Aljzat
Anyaga: PVC-C
Szín: világosszürke
Forma: egyenlő
Fej kód: Kerek
Méret: DN15*20-600*500
Alkalmazás: Ipar
Csomagolás: karton
Üzemi nyomás: 1,6 MPa
Szállítási idő: 7 nap
Minimális rendelési mennyiség: 1 db

Alkalmazás-hőmérséklet-korlátozási lista
Anyag Közepes hőmérséklet℃ Anyag Közepes hőmérséklet℃
PVC-C -20 ℃ ~ 95 ℃ PVC-U -5 ℃ ~ 45 ℃
FRPP -20 ℃ ~ 120 ℃ PPH -20 ℃ ~ 110 ℃
PVDF 40 ℃ ~ 150 ℃

A termék szerkezeti jellemzői

1. Kiváló vegyi ellenállás: A hőmérsékleti tartomány széles -20 ℃ és 95 ℃ között van. A közeg iontartalma megfelel az ultratiszta víz szabványainak. A higiéniai teljesítmény megfelel a nemzeti higiéniai szabványoknak.
2.Kiemelkedő szilárdság, szívósság és kémiai korrózióállóság: Az anyag kiváló szilárdságot és kémiai korrózióállóságot kínál.
3. Tartósság: A kivételes öregedésállóság és az UV-állóság jelentősen meghosszabbítja az élettartamot más csőrendszerekhez képest.
4. Alacsony hővezetőképesség: A hővezető képesség körülbelül az acél 1/200-a; az égésgátló tulajdonságok önkioltóak.
5. Könnyű súly: az acélcsöveknek csak körülbelül 1/5-ét és a rézcsövek 1/6-át nyomja.
6. Alacsony ellenállás, nagy áramlási sebesség: A sima és tiszta csőfal minimális súrlódási ellenállást és tapadást eredményez folyadékok szállítása során.
7. Könnyű telepítés, alacsony költség: Összeköthető ragasztással, menettel, és legegyszerűbben ragasztóval, így költséghatékony és felhasználóbarát megoldást kínál.

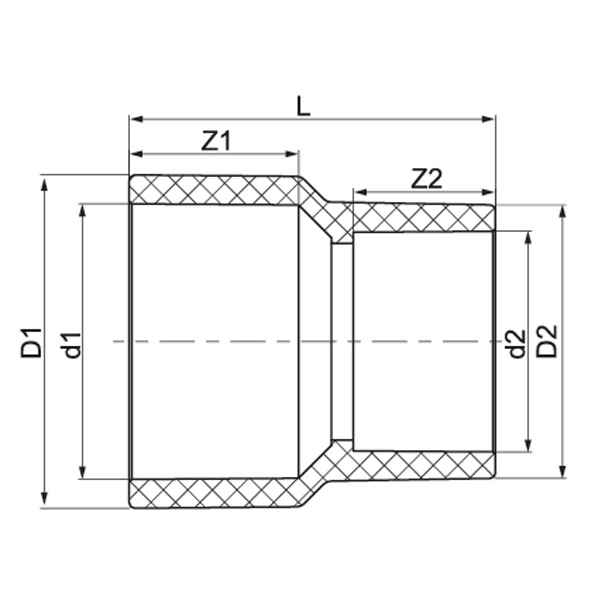
Dimenziólista

Specifikáció D1
(mm)
D2
(mm)
d1
(mm)
d2
(mm)
L
(mm)
Z1
(mm)
Z2
(mm)
2″*1″ (50*25) 74 45 60.32 33.4 87 38.5 29
2″*1¼″ (50*32) 74 54.5 60.32 42.16 86 38.5 32
2″*1½″ (50*40) 74 61 60.32 48.26 86 38.5 35
2½″*1¼″ (65*32) 90 54.5 73.02 42.16 98.5 45 32
2½″*1½″ (65*40) 90 61 73.02 48.26 98.5 45 35
2½″*2″ (65*50) 90 74 73.02 60.32 97 45 38.5
3″*1½″ (80*40) 107 61 88.9 48.26 109.5 48 35
3″*2″ (80*50) 107 74 88.9 60.32 107.5 48 38.5
3″*2½″ (80*65) 107 90 88.9 73.02 109 48 45
4″*2″ (100*50) 134 74 114.3 60.32 129.5 57.5 38.5
4″*2½″ (100*65) 134 90 114.3 73.02 131 57.5 45
4″*3″ (100*80) 134 107 114.3 88.9 127 57.5 48
5″*2½″ (125*65) 163 90 141.3 73.02 154.5 67 45
5″*3″ (125*80) 163 107 141.3 88.9 150 67 48
5″*4″ (125*100) 163 134 141.3 114.3 146.5 67 57.5
6″*3″ (150*80) 192 107 168.28 88.9 173 76.5 48
6″*4″ (150*100) 192 134 168.28 114.3 170 76.5 57.5
6″*5″ (150*125) 192 163 168.28 141.3 167 76.5 67
8″*4″ (200*100) 247 134 219.08 114.3 221 102 57.5
8″*5″ (200*125) 247 163 219.08 141.3 218 102 67
8″*6″ (200*150)). 247 192 219.08 168.28 215 102 76.5
Üzenet Visszajelzés
Rólunk
Kaixin Pipeline Technologies Co., Ltd.
1999-ben alapították, Kaixin Pipeline Technologies Co., Ltd. egy high-tech vállalkozás, amely integrálja a kutatás-fejlesztést, a gyártást, az értékesítést és a szolgáltatást. A vállalat számos rangos minősítéssel rendelkezik, beleértve a nemzeti csúcstechnológiai vállalatot, a „kis óriás” specializált és kifinomult kkv-t, a nemzeti termékbajnokot (termesztés), a tartományi technológiai alapú kkv-t, a ningboi specializált és kifinomult kkv-t, a ningboi termékbajnokot (termesztés), a Ningbo körzeti kutatási és fejlesztési központot, a Green-Lepe és a Valve Polymer-Pivelet. Ningbo négycsillagos Management Innovation Enterprise és Enterprise Data Management Capability 2. érettségi szint.
Szakterületünk nem fém korrózióálló termékek fejlesztése, gyártása és szállítása vegyi alkalmazásokhoz, beleértve a műanyag szelepeket, csöveket, csőszerelvényeket és korrózióálló szivattyúkat. Termékportfóliónk olyan anyagokat ölel fel, mint a PVC-C, PVC-U, PVDF, PPH és FRPP, típusok és specifikációk széles választékával. Nevezetesen, pillangószelepeink elérhetik a DN1000-es átmérőt, míg a csövek és szerelvényeink a DN800-as átmérőig terjednek, ezzel megszüntetve a piaci hiányosságokat és megőrizve versenyelőnyünket az iparágban.
A „Technológia vezérelte, lépést tartva az idővel” elve alapján a Kaixin közel 10 millió RMB-t különít el évente K+F-re. A kiváló termékminőséget szabványosított automatizált gyártás és az importált alapanyagok szigorú beszerzése révén biztosítjuk. Nemzetközi fejlesztési stratégiánkhoz igazodva folyamatosan figyeljük a globális piaci trendeket, és digitális csatornákat használunk, hogy kiváló minőségű „Made in China” termékeket hozzunk az ügyfelekhez világszerte.
Ningbo • Fenghua K+F és termelési bázis
A Kaixin Ultra-Pure Pipe Technology (Ningbo) Co., Ltd. összesen 200 millió RMB befektetéssel új anyaglaboratóriumot hozott létre egyetemekkel és kutatóintézetekkel együttműködve, modern gyártóbázist épített ki, és 8 teljesen automatizált gyártósort telepített módosított műanyagok és 8 polimer anyagok számára. A létesítmény az új módosított műanyagok és polimer anyagok kutatás-fejlesztésére, gyártására és alkalmazására szolgál. A Kaixin emellett elkötelezett amellett, hogy a legkiválóbb tehetségeket tudományágakban vonzza, folyamatosan ösztönözze a termékinnovációt és a márkafejlesztést, azzal a céllal, hogy világszerte elismert vezető szerepet töltsön be a polimer szelepek, csövek és szerelvények kutatás-fejlesztésében és gyártásában.
Becsületi oklevél
  • honor
  • honor
  • honor
  • honor
  • honor
  • honor
  • honor
  • honor
  • honor
Hírek