PVC-C redukáló póló DN15*20-600*500 1/2*3/4"-24*20" ANSI szabvány

Kiváló minőségű világosszürke PVC-C szűkítő póló belső menettel és csatlakozóaljzattal, műanyag csőszerelvény vegyi és vízhasználathoz, ANSI SCH80 szabvány
Származási hely: Kína
Márkanév: KXPV
Eljárás: kovácsolt
Csatlakozás típusa: Aljzat, Aljzat
Forma: szűkítő
Fej kód: Kerek
Szín: világosszürke
Alkalmazás: Ipari és vegyi
Anyaga: PVC-C
Szállítási idő: 7 nap
Minimális rendelési mennyiség: 1 db
Ellátási kapacitás: 10 000 darab/hónap

Alkalmazás-hőmérséklet-korlátozási lista
Anyag Közepes hőmérséklet℃ Anyag Közepes hőmérséklet℃
PVC-C -20 ℃ ~ 95 ℃ PVC-U -5 ℃ ~ 45 ℃
FRPP -20 ℃ ~ 120 ℃ PPH -20 ℃ ~ 110 ℃
PVDF 40 ℃ ~ 150 ℃

A termék szerkezeti jellemzői

1. Kiváló vegyi ellenállás: A hőmérsékleti tartomány széles -20 ℃ és 95 ℃ között van. A közeg iontartalma megfelel az ultratiszta víz szabványainak. A higiéniai teljesítmény megfelel a nemzeti higiéniai szabványoknak.
2.Kiemelkedő szilárdság, szívósság és kémiai korrózióállóság: Az anyag kiváló szilárdságot és kémiai korrózióállóságot kínál.
3. Tartósság: A kivételes öregedésállóság és az UV-állóság jelentősen meghosszabbítja az élettartamot más csőrendszerekhez képest.
4. Alacsony hővezetőképesség: A hővezető képesség körülbelül az acél 1/200-a; az égésgátló tulajdonságok önkioltóak.
5. Könnyű súly: az acélcsöveknek csak körülbelül 1/5-ét és a rézcsövek 1/6-át nyomja.
6. Alacsony ellenállás, nagy áramlási sebesség: A sima és tiszta csőfal minimális súrlódási ellenállást és tapadást eredményez folyadékok szállítása során.
7. Könnyű telepítés, alacsony költség: Összeköthető ragasztással, menettel, és legegyszerűbben ragasztóval, így költséghatékony és felhasználóbarát megoldást kínál.

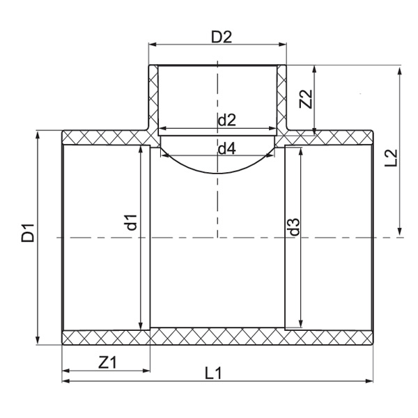
Dimenziólista

Specifikáció D1
(mm)
D2
(mm)
d1
(mm)
d2
(mm)
d3
(mm)
d4
(mm)
L1
(mm)
L2
(mm)
Z1
(mm)
Z2
(mm)
3/4″* 1/2″ (20*15) 37 31.5 26.67 21.34 23 18 78 38.5 25.5 22.5
1″* 1/2″ (25*15) 45 31.5 33.4 21.34 29 18 87 42.5 29 22.5
1″* 3/4″ (25*10) 45 37 33.4 26.67 29 23 92 45.5 29 25.5
1¼″* 1/2″ (32*15) 54.5 31.5 42.16 21.34 38 18 93 47 32 22.5
1¼″* 3/4″ (32*20) 54.5 37 42.16 26.67 38 23 99 50 32 25.5
1¼″* 1″ (32*25) 54.5 45 42.16 33.4 38 29 104 53.5 32 29
1½″* 3/4″ (40*20) 61 37 48.26 26.67 44 23 105 53.5 35 25.5
1½″* 1″ (40*25) 61 45 48.26 33.4 44 29 115 57 35 29
1½″* 1¼″ (40*32) 61 54.5 48.26 42.16 44 38 120 60 35 32
2″* 1″ (50*25) 74 45 60.32 33.4 55 29 119 63 38.5 29
2″* 1¼″ (50*32) 74 54.5 60.32 42.16 55 38 128 66 38.5 32
2″* 1½″ (50*40) 74 61 60.32 48.26 55 44 134 69 38.5 35
2½″* 1¼″ (65*32) 90 54.5 73.02 42.16 68 38 143 73.5 45 32
2½″* 1½″ (65*40) 90 61 73.02 48.26 68 44 149 76.5 45 35
2½″* 2″ (65*50) 90 74 73.02 60.32 68 55 160 80 45 38.5
3″* 1½″ (80*40) 107 61 88.9 48.26 83 44 157 85 48 35
3″* 2″ (80*50) 107 74 88.9 60.32 83 55 168 88.5 48 38.5
3″* 2½″ (80*65) 107 90 88.9 73.02 83 68 181 95 48 45
4″* 2″ (100*50) 134 74 114.3 60.32 109 55 188 102 57.5 38.5
4″* 2½″ (100*65) 134 90 114.3 73.02 109 68 201 108.5 57.5 45
4″* 3″ (100*80) 134 107 114.3 88.9 109 83 216 111.5 57.5 48
5″* 2½″ (125*65) 162 90 141.3 73.02 134 68 223 122.5 67 45
5″* 3″ (125*80) 162 107 141.3 88.9 134 83 238 125.5 67 48
5″* 4″ (125*100) 162 134 141.3 114.3 134 109 264 135 67 57.5
6″* 3″ (150*80) 192 107 168.28 88.9 160 84 260 140 76.5 48
6″* 4″ (150*100) 192 134 168.28 114.3 160 105 286 149.5 76.5 57.5
6″* 5″ (150*125) 192 162 168.28 141.3 160 132 311 159 76.5 67
8″* 4″ (200*100) 247 134 219.08 114.3 210 86 340 176 102 57.5
8″* 5″ (200*125) 247 162 219.08 141.3 210 105 365 185.5 102 67
8″* 6″ (200*150) 247 192 219.08 168.28 210 154 391 195 102 76.5
Üzenet Visszajelzés
Rólunk
Kaixin Pipeline Technologies Co., Ltd.
1999-ben alapították, Kaixin Pipeline Technologies Co., Ltd. egy high-tech vállalkozás, amely integrálja a kutatás-fejlesztést, a gyártást, az értékesítést és a szolgáltatást. A vállalat számos rangos minősítéssel rendelkezik, beleértve a nemzeti csúcstechnológiai vállalatot, a „kis óriás” specializált és kifinomult kkv-t, a nemzeti termékbajnokot (termesztés), a tartományi technológiai alapú kkv-t, a ningboi specializált és kifinomult kkv-t, a ningboi termékbajnokot (termesztés), a Ningbo körzeti kutatási és fejlesztési központot, a Green-Lepe és a Valve Polymer-Pivelet. Ningbo négycsillagos Management Innovation Enterprise és Enterprise Data Management Capability 2. érettségi szint.
Szakterületünk nem fém korrózióálló termékek fejlesztése, gyártása és szállítása vegyi alkalmazásokhoz, beleértve a műanyag szelepeket, csöveket, csőszerelvényeket és korrózióálló szivattyúkat. Termékportfóliónk olyan anyagokat ölel fel, mint a PVC-C, PVC-U, PVDF, PPH és FRPP, típusok és specifikációk széles választékával. Nevezetesen, pillangószelepeink elérhetik a DN1000-es átmérőt, míg a csövek és szerelvényeink a DN800-as átmérőig terjednek, ezzel megszüntetve a piaci hiányosságokat és megőrizve versenyelőnyünket az iparágban.
A „Technológia vezérelte, lépést tartva az idővel” elve alapján a Kaixin közel 10 millió RMB-t különít el évente K+F-re. A kiváló termékminőséget szabványosított automatizált gyártás és az importált alapanyagok szigorú beszerzése révén biztosítjuk. Nemzetközi fejlesztési stratégiánkhoz igazodva folyamatosan figyeljük a globális piaci trendeket, és digitális csatornákat használunk, hogy kiváló minőségű „Made in China” termékeket hozzunk az ügyfelekhez világszerte.
Ningbo • Fenghua K+F és termelési bázis
A Kaixin Ultra-Pure Pipe Technology (Ningbo) Co., Ltd. összesen 200 millió RMB befektetéssel új anyaglaboratóriumot hozott létre egyetemekkel és kutatóintézetekkel együttműködve, modern gyártóbázist épített ki, és 8 teljesen automatizált gyártósort telepített módosított műanyagok és 8 polimer anyagok számára. A létesítmény az új módosított műanyagok és polimer anyagok kutatás-fejlesztésére, gyártására és alkalmazására szolgál. A Kaixin emellett elkötelezett amellett, hogy a legkiválóbb tehetségeket tudományágakban vonzza, folyamatosan ösztönözze a termékinnovációt és a márkafejlesztést, azzal a céllal, hogy világszerte elismert vezető szerepet töltsön be a polimer szelepek, csövek és szerelvények kutatás-fejlesztésében és gyártásában.
Becsületi oklevél
  • honor
  • honor
  • honor
  • honor
  • honor
  • honor
  • honor
  • honor
  • honor
Hírek