PVC-U redukáló póló DN15*20-600*500 1/2*3/4"-24*20" ANSI szabvány

Kiváló minőségű sötétszürke PVC-U szűkítő póló belső menettel és csatlakozóaljzattal, műanyag csőszerelvény vegyi és vízhasználathoz, ANSI SCH80 szabvány
Származási hely: Kína
Márkanév: KXPV
Eljárás: kovácsolt
Csatlakozás típusa: Aljzat, Aljzat
Forma: szűkítő
Fej kód: Kerek
Szín: Sötétszürke
Alkalmazás: Ipari és vegyi
Anyaga: PVC-U
Szállítási idő: 7 nap
Minimális rendelési mennyiség: 1 db
Ellátási kapacitás: 10 000 darab/hónap

Alkalmazás-hőmérséklet-korlátozási lista
Anyag Közepes hőmérséklet℃ Anyag Közepes hőmérséklet℃
PVC-C -20 ℃ ~ 95 ℃ PVC-U -5 ℃ ~ 45 ℃
FRPP -20 ℃ ~ 120 ℃ PPH -20 ℃ ~ 110 ℃
PVDF 40 ℃ ~ 150 ℃

A termék szerkezeti jellemzői

1.Könnyű: A PVC-U anyagnak csak 1/10-e van az öntöttvas tömegének, ami megkönnyíti a szállítást és a telepítést, így csökkenti a költségeket.
2.Kiváló vegyszerállóság: A PVC-U kiválóan ellenáll a savaknak és lúgoknak, kivéve a közel telített erős savakat és bázisokat.
3. Tartós: A PVC-U kiváló időjárásállósággal rendelkezik, és nem érzékeny a baktériumok vagy gombák által okozott korrózióra.
4.Nem vezetőképes: A PVC-U anyag nem vezet áramot, és nincs kitéve az elektromos áram okozta korróziónak, így nincs szükség másodlagos feldolgozásra. Nem gyúlékony és nem támogatja az égést, így nincs tűzveszély.
5. Alacsony ellenállás, nagy áramlási sebesség: A sima belső falak minimalizálják a folyadékáramlási veszteséget, és a szennyeződések nem tapadnak könnyen a sima csőfelülethez, ami megkönnyíti a karbantartást és csökkenti a karbantartási költségeket.
6. Könnyű telepítés, alacsony költség: A PVC-U csövek vágása és csatlakoztatása egyszerű. A PVC ragasztós csatlakozások bizonyítottan biztonságosak, megbízhatóak, könnyen kezelhetők és költséghatékonyak.

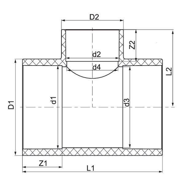
UPVC redukáló póló

DN D1 D2 d1 d2 d3 d4 L h Z1 Z2 e1 e2
20*15 31.5 26 25 20 20 16 65.5 29.5 19 19 3.2 3
25*15 41 27 32 20 27 16 80.5 33.5 22 19 4.5 3.5
25*20 41 31.5 32 25 27 20 80.5 36.5 22 19 4.5 3.2
32*15 50.5 26 40 20 34 16 96.5 37.25 26 16.5 5.2 3
32*20 50.5 31.5 40 25 34 20 96.5 40.25 26 19 5.2 3.2
32*25 50.5 41 40 32 34 27 96.5 43.65 26 22 5.2 4.5
40*15 63.5 27 50 20 44 16 116 42.85 31 16 6.7 3.5
40*20 63.5 33 50 25 44 20 116 45.75 31 19 6.7 4
40*25 63.5 43 50 32 44 27 116 48.65 31 22 6.7 5.5
40*32 63.5 51 50 40 44 34 116 52.45 31 26 6.7 5.3
50*20 79 33 63 25 55 20 143 52 38 19 8 3.8
50*25 79 41 63 32 55 27 143 55.3 38 22 8 4.5
50*32 79 50.5 63 40 55 34 143 60 38 26 8 5.3
50*40 79 63.5 63 50 55 44 143 63.5 38 31 8 6.6
65*25 94.5 41 75 32 69 27 168 70.5 44 22 9.7 4.5
65*32 94.5 50.5 75 40 69 34 168 64 44 26 9.7 5.2
65*40 94.5 63 75 50 69 44 168 70 44 31 9.7 6.5
65*50 94.5 79.5 75 63 69 55 168 79 44 38 9.7 8.2
80*20 114 42.5 90 25 87 20 197 68.5 50.5 18.5 12 8.7
80*25 114 42.5 90 32 87 27 197 68.5 50.5 22 12 5.2
80*32 114 52 90 40 87 34 197 73.5 50.5 26 12 5.8
80*40 114 63.5 90 50 87 44 197 78.5 50.5 31 12 6.7
80*50 114 80 90 63 87 55 197 83 50.5 38 12 8.4
80*65 114 95 90 75 87 69 197 92 50.5 44 12 10
100*25 134 41 110 32 106 27 237 77 61 22.5 12 4.4
100*32 134 50 110 40 106 34 237 85 61 26 12 5
100*40 134 63 110 50 106 44 237 89 61 31 12 6.5
100*50 134 79 110 63 106 55 237 89 61 37.5 12 8
100*65 134 94.5 110 75 106 69 237 100 61 44 12 9.7
100*80 134 113.5 110 90 106 87 237 107 61 51 12 11.7
125*50 163 113 140 63 135 55 297.5 132.5 77 37.5 11.5 8
125*80 163 113 140 90 135 87 297.5 132.5 77 50.5 11.5 11.5
125*100 163 134 140 110 135 106 297.5 138.5 77 60.5 11.5 12

DN D1 D2 d1 d2 d3 d4 L h Z1 Z2 e1 e2
150*50 185.5 79.5 160 63 156 55 337 117.5 85.5 38 12.7 8.2
150*65 185.5 95 160 75 156 69 337 128.5 85.5 44 12.7 10
150*80 185.5 113 160 90 156 87 337 132.5 85.5 51 12.7 11.5
150*100 185.5 134.5 160 110 156 106 337 142.5 85.5 60.5 12.7 12.2
150*125 185.5 162 160 140 156 135 337 159.5 85.5 77 12.7 11
200*50 261 75 225 63 219 59 420 157.5 119 38 18 6
200*65 261 89 225 75 219 71 420 163 119 44 18 7
200*80 261 106 225 90 219 86 420 171 119 51 18 8
200*100 261 129 225 110 219 105 420 181 119 61 18 9.5
250*125 308 161 280 140 270 130 538 225 146 76 14 10.5
250*150 308 184 280 160 270 150 538 235 146 86 14 12
250*200 308 248 280 225 270 219 538 268 146 119 14 11.5
300*200 346 249 315 225 310 219 662 281 163.5 113.5 15.5 12
350*150 390 184 355 160 340 154 749 276.5 184 86 17.5 12
350*200 390 249 355 225 340 219 749 309 184 118.5 17.5 12
450*300 494 346 450 315 430 304 944 448 231 164 22 15.5
Üzenet Visszajelzés
Rólunk
Kaixin Pipeline Technologies Co., Ltd.
1999-ben alapították, Kaixin Pipeline Technologies Co., Ltd. egy high-tech vállalkozás, amely integrálja a kutatás-fejlesztést, a gyártást, az értékesítést és a szolgáltatást. A vállalat számos rangos minősítéssel rendelkezik, beleértve a nemzeti csúcstechnológiai vállalatot, a „kis óriás” specializált és kifinomult kkv-t, a nemzeti termékbajnokot (termesztés), a tartományi technológiai alapú kkv-t, a ningboi specializált és kifinomult kkv-t, a ningboi termékbajnokot (termesztés), a Ningbo körzeti kutatási és fejlesztési központot, a Green-Lepe és a Valve Polymer-Pivelet. Ningbo négycsillagos Management Innovation Enterprise és Enterprise Data Management Capability 2. érettségi szint.
Szakterületünk nem fém korrózióálló termékek fejlesztése, gyártása és szállítása vegyi alkalmazásokhoz, beleértve a műanyag szelepeket, csöveket, csőszerelvényeket és korrózióálló szivattyúkat. Termékportfóliónk olyan anyagokat ölel fel, mint a PVC-C, PVC-U, PVDF, PPH és FRPP, típusok és specifikációk széles választékával. Nevezetesen, pillangószelepeink elérhetik a DN1000-es átmérőt, míg a csövek és szerelvényeink a DN800-as átmérőig terjednek, ezzel megszüntetve a piaci hiányosságokat és megőrizve versenyelőnyünket az iparágban.
A „Technológia vezérelte, lépést tartva az idővel” elve alapján a Kaixin közel 10 millió RMB-t különít el évente K+F-re. A kiváló termékminőséget szabványosított automatizált gyártás és az importált alapanyagok szigorú beszerzése révén biztosítjuk. Nemzetközi fejlesztési stratégiánkhoz igazodva folyamatosan figyeljük a globális piaci trendeket, és digitális csatornákat használunk, hogy kiváló minőségű „Made in China” termékeket hozzunk az ügyfelekhez világszerte.
Ningbo • Fenghua K+F és termelési bázis
A Kaixin Ultra-Pure Pipe Technology (Ningbo) Co., Ltd. összesen 200 millió RMB befektetéssel új anyaglaboratóriumot hozott létre egyetemekkel és kutatóintézetekkel együttműködve, modern gyártóbázist épített ki, és 8 teljesen automatizált gyártósort telepített módosított műanyagok és 8 polimer anyagok számára. A létesítmény az új módosított műanyagok és polimer anyagok kutatás-fejlesztésére, gyártására és alkalmazására szolgál. A Kaixin emellett elkötelezett amellett, hogy a legkiválóbb tehetségeket tudományágakban vonzza, folyamatosan ösztönözze a termékinnovációt és a márkafejlesztést, azzal a céllal, hogy világszerte elismert vezető szerepet töltsön be a polimer szelepek, csövek és szerelvények kutatás-fejlesztésében és gyártásában.
Becsületi oklevél
  • honor
  • honor
  • honor
  • honor
  • honor
  • honor
  • honor
  • honor
  • honor
Hírek