Alkalmazás-hőmérséklet-korlátozási lista
Anyag Közepes hőmérséklet℃ Anyag Közepes hőmérséklet℃
PVC-C -20 ℃ ~ 95 ℃ PVC-U -5 ℃ ~ 45 ℃
FRPP -20 ℃ ~ 120 ℃ PPH -20 ℃ ~ 110 ℃
PVDF 40 ℃ ~ 150 ℃

A termék szerkezeti jellemzői

1. Könnyű súly: A PVC-U az öntöttvas tömegének mindössze 1/10-e, így könnyen szállítható és telepíthető, csökkentve a költségeket.
2. Kiváló vegyszerállóság: A PVC-U kiválóan ellenáll a savaknak és lúgoknak, kivéve az erős savakat és lúgokat a telítési pontjuk közelében.
3. Tartós: A PVC-U kiváló időjárásállóságot biztosít, és ellenáll a baktériumok és gombák által okozott korróziónak.
4. Nem vezető: A PVC-U nem vezetőképes, és nem érzékeny az elektrolízis vagy az elektromos áram által okozott korrózióra, így nincs szükség másodlagos feldolgozásra. Nem gyúlékony és nem támogatja az égést, kiküszöbölve a tűzbiztonsági aggályokat.
5. Alacsony ellenállás és nagy áramlási sebesség: A sima belső fal minimalizálja a folyadék áramlási veszteségét, és kevésbé valószínű, hogy szennyeződés tapad a sima csőfelülethez, így a karbantartás egyszerű és költséghatékony.
6. Könnyű telepítés és alacsony költség: A vágás és az összeillesztés egyszerű. A PVC ragasztó biztonságosnak, megbízhatónak, könnyen használhatónak és költséghatékonynak bizonyult.

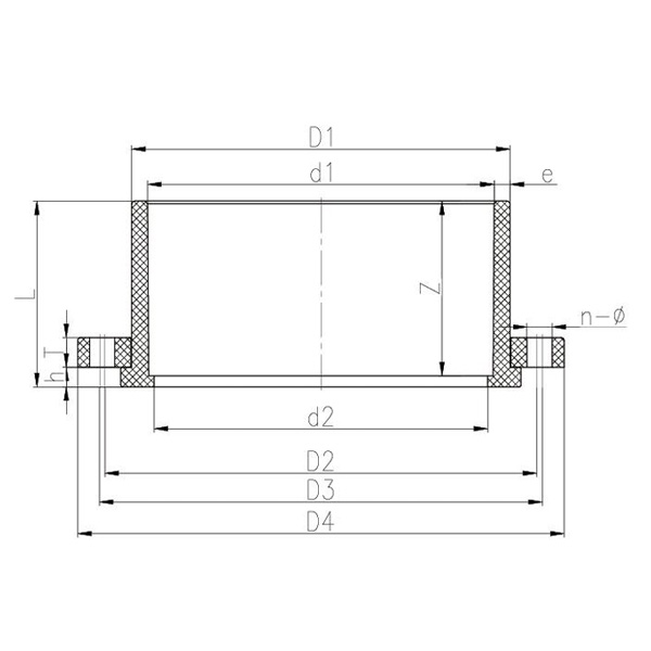
PVC-U Vanstone karima

DN D1 D2 D3 D4 d1 d2 L T h Z n-Φ
15 27 59 70 95 20 18 22 16 1.5 16 4-Φ15X20,5
20 32 70 75 105 25 23 25 18 1.5 19 4-15X17,5
25 40 79 90 125 32 29 28 18 1.5 22 4-Φ15X20,5
32 50 89 100 140 40 36 31.5 20 1.5 26 4-Φ18X24,5
4 61 98 110 150 50 4 37 20 2 31 4-Φ18X24
50 75 120 125 165 63 58 44 25 2 38 4-Φ18X20,5
65 88 140 145 185 75 69 50 25 2 44 4-Φ18X20,5
80 105 150 160 200 90 84 57 26 2.5 51 8-Φ18X23
100 127 175 190.5 229 110 105 67 26 2.5 61 8-Φ18X26
125 161 210 250 140 130 84 28 12.5 77 8-Φ19
150 182 240 285 160 150 93 31 12.5 85 8-Φ23
200 249 295 339 225 215 127 36 16 119 8-Φ23X25
200 254 295.8 341 225 215 127 33.1 16 119 12-Φ22
250 308 350 395 280 267 154 40.5 16.5 144 12-Φ23
300 346 400 445 315 305 170 43 18 160 12-Φ23
350 395 460 505 355 340 176 43 16 164.5 16-Φ23
400 442 515 570 400 382 219 43 22 200 16-Φ27
450 494 565 625 450 430 220 40 27 210 20-Φ26
500 548 620 670 500 475 210 43 25 185 20-Φ27
Üzenet Visszajelzés
Rólunk
Kaixin Pipeline Technologies Co., Ltd.
1999-ben alapították, Kaixin Pipeline Technologies Co., Ltd. egy high-tech vállalkozás, amely integrálja a kutatás-fejlesztést, a gyártást, az értékesítést és a szolgáltatást. A vállalat számos rangos minősítéssel rendelkezik, beleértve a nemzeti csúcstechnológiai vállalatot, a „kis óriás” specializált és kifinomult kkv-t, a nemzeti termékbajnokot (termesztés), a tartományi technológiai alapú kkv-t, a ningboi specializált és kifinomult kkv-t, a ningboi termékbajnokot (termesztés), a Ningbo körzeti kutatási és fejlesztési központot, a Green-Lepe és a Valve Polymer-Pivelet. Ningbo négycsillagos Management Innovation Enterprise és Enterprise Data Management Capability 2. érettségi szint.
Szakterületünk nem fém korrózióálló termékek fejlesztése, gyártása és szállítása vegyi alkalmazásokhoz, beleértve a műanyag szelepeket, csöveket, csőszerelvényeket és korrózióálló szivattyúkat. Termékportfóliónk olyan anyagokat ölel fel, mint a PVC-C, PVC-U, PVDF, PPH és FRPP, típusok és specifikációk széles választékával. Nevezetesen, pillangószelepeink elérhetik a DN1000-es átmérőt, míg a csövek és szerelvényeink a DN800-as átmérőig terjednek, ezzel megszüntetve a piaci hiányosságokat és megőrizve versenyelőnyünket az iparágban.
A „Technológia vezérelte, lépést tartva az idővel” elve alapján a Kaixin közel 10 millió RMB-t különít el évente K+F-re. A kiváló termékminőséget szabványosított automatizált gyártás és az importált alapanyagok szigorú beszerzése révén biztosítjuk. Nemzetközi fejlesztési stratégiánkhoz igazodva folyamatosan figyeljük a globális piaci trendeket, és digitális csatornákat használunk, hogy kiváló minőségű „Made in China” termékeket hozzunk az ügyfelekhez világszerte.
Ningbo • Fenghua K+F és termelési bázis
A Kaixin Ultra-Pure Pipe Technology (Ningbo) Co., Ltd. összesen 200 millió RMB befektetéssel új anyaglaboratóriumot hozott létre egyetemekkel és kutatóintézetekkel együttműködve, modern gyártóbázist épített ki, és 8 teljesen automatizált gyártósort telepített módosított műanyagok és 8 polimer anyagok számára. A létesítmény az új módosított műanyagok és polimer anyagok kutatás-fejlesztésére, gyártására és alkalmazására szolgál. A Kaixin emellett elkötelezett amellett, hogy a legkiválóbb tehetségeket tudományágakban vonzza, folyamatosan ösztönözze a termékinnovációt és a márkafejlesztést, azzal a céllal, hogy világszerte elismert vezető szerepet töltsön be a polimer szelepek, csövek és szerelvények kutatás-fejlesztésében és gyártásában.
Becsületi oklevél
  • honor
  • honor
  • honor
  • honor
  • honor
  • honor
  • honor
  • honor
  • honor
Hírek