PVC-U Q641F-10U pneumatikus karimás golyóscsap DN15-300 GB szabvány

Versenyképes áron PVC-U pneumatikus működtető golyóscsap mezőgazdasági és vízrendszerhez
Típus: Golyós szelepek
Származási hely: Kína
Márkanév: KXPV
Modellszám: D641X-10U
Alkalmazás: Általános
A közeg hőmérséklete: Magas hőmérséklet, Közepes hőmérséklet
Teljesítmény: Pneumatikus
Közeg: Sav
Port mérete: DN15-300
Felépítés: Fix golyócsap
Teszt anyaga: PVC-U
Csatlakozás: karimavégek
Szabó: GB/T37842 F4
Felhasználás: Ipari
Üzemi hőmérséklet: -5 ~ 45 ℃
Szállítási idő: 7 nap
MOQ: 1 db

Nyomásosztály: 1,0 Mpa (10 bar) $

Alkalmazás-hőmérséklet-korlátozási lista

Anyag Közepes hőmérséklet℃ Anyag Közepes hőmérséklet℃
PVC-C -20 ℃ ~ 95 ℃ PVC-U -5 ℃ ~ 45 ℃
FRPP -20 ℃ ~ 120 ℃ PPH -20 ℃ ~ 110 ℃
PVDF 40 ℃ ~ 150 ℃

A termék szerkezeti jellemzői

1. Ezek a műszaki műanyag golyóscsapokat egy darabban fröccsöntötték, korrózióálló hőre lágyuló műanyagok, például FRPP, PVDF, PVC-C, PVC-U és PPH felhasználásával, amelyek erős korrózióállóságot biztosítanak.
2. A PTFE ülés feszessége állítható.
3. A kétrétegű O-gyűrűk kettős szivárgásvédelmet biztosítanak.
4. Kiváló megjelenés, sima felület, finom megmunkálás és teljes áramlású kialakítás.
5. Az aktuátor távolról vezérelhető számítógépen vagy vezérlőközponton keresztül, a szelep nyitásával és zárásával szabályozva a közeg áramlását és áramlását. Ez nagyobb kényelmet és sebességet biztosít, csökkenti a munkaerőköltségeket, és biztosítja a helyszínen dolgozók biztonságát.

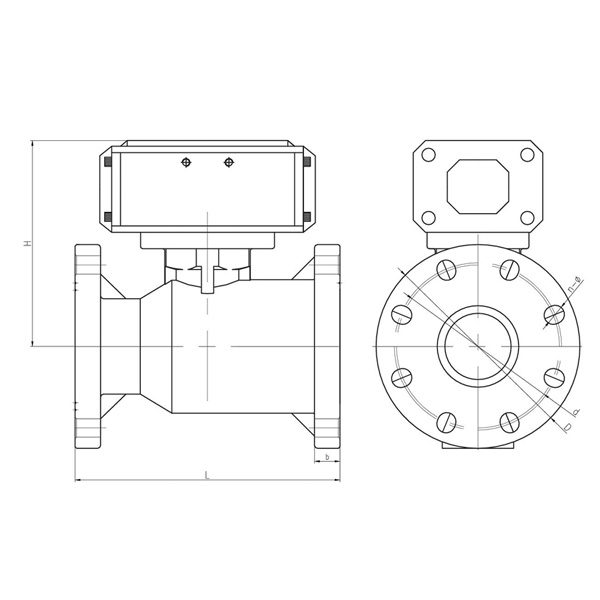
Dimenziólista

DN(mm) D d L H b n-Φ
GB JIS ANSI GB JIS ANSI GB JIS ANSI
15 (1/2") 95 95 65 70 120 160 15 4-Φ15 4-Φ15
20 (3/4") 105 100 75 75 120 160 16 4-Φ15 4-Φ15
25. cikk (1") 120 125 85 90 130 162 16 4-Φ15 4-Φ19
32 (11/4") 135 135 100 100 145 190 18 4-Φ18 4-Φ19
40 (11/2") 145 140 125 110 105 98.4 168 220 20 4-Φ18 4-Φ19 4-Φ16
50 (2") 160 155 150 125 120 120.7 180 230 20 4-Φ19 4-Φ19 4-Φ18
65 (2-1/2") 180 145 225 245 22 4-Φ19
80 (3") 195 160 255 280 25 8-Φ18.5
100 (4 hüvelyk) 229 229 180 190.5 280 295 25 8-Φ18,5X20 8-Φ18,5X20
125 (5 hüvelyk) 254 250 254 210 210 215.9 350 340 30 8-Φ18,5X20 8-Φ23 8-Φ22
150 (6 hüvelyk) 280 280 280 240 240 241.3 400 360 30 8-Φ24X27 8-Φ24X27 8-Φ24X27
200 (8") 335 330 335 295 290 298.5 400 400 35 8-Φ23 12-Φ23 8-Φ22
250 (10") 400 400 400 350 355 362 450 460 38 12-Φ23X26 12-Φ25 12-Φ26
300 (12") 440 440 400 400 450 460 38 12-Φ23 16-Φ25
Üzenet Visszajelzés
Rólunk
Kaixin Pipeline Technologies Co., Ltd.
1999-ben alapították, Kaixin Pipeline Technologies Co., Ltd. egy high-tech vállalkozás, amely integrálja a kutatás-fejlesztést, a gyártást, az értékesítést és a szolgáltatást. A vállalat számos rangos minősítéssel rendelkezik, beleértve a nemzeti csúcstechnológiai vállalatot, a „kis óriás” specializált és kifinomult kkv-t, a nemzeti termékbajnokot (termesztés), a tartományi technológiai alapú kkv-t, a ningboi specializált és kifinomult kkv-t, a ningboi termékbajnokot (termesztés), a Ningbo körzeti kutatási és fejlesztési központot, a Green-Lepe és a Valve Polymer-Pivelet. Ningbo négycsillagos Management Innovation Enterprise és Enterprise Data Management Capability 2. érettségi szint.
Szakterületünk nem fém korrózióálló termékek fejlesztése, gyártása és szállítása vegyi alkalmazásokhoz, beleértve a műanyag szelepeket, csöveket, csőszerelvényeket és korrózióálló szivattyúkat. Termékportfóliónk olyan anyagokat ölel fel, mint a PVC-C, PVC-U, PVDF, PPH és FRPP, típusok és specifikációk széles választékával. Nevezetesen, pillangószelepeink elérhetik a DN1000-es átmérőt, míg a csövek és szerelvényeink a DN800-as átmérőig terjednek, ezzel megszüntetve a piaci hiányosságokat és megőrizve versenyelőnyünket az iparágban.
A „Technológia vezérelte, lépést tartva az idővel” elve alapján a Kaixin közel 10 millió RMB-t különít el évente K+F-re. A kiváló termékminőséget szabványosított automatizált gyártás és az importált alapanyagok szigorú beszerzése révén biztosítjuk. Nemzetközi fejlesztési stratégiánkhoz igazodva folyamatosan figyeljük a globális piaci trendeket, és digitális csatornákat használunk, hogy kiváló minőségű „Made in China” termékeket hozzunk az ügyfelekhez világszerte.
Ningbo • Fenghua K+F és termelési bázis
A Kaixin Ultra-Pure Pipe Technology (Ningbo) Co., Ltd. összesen 200 millió RMB befektetéssel új anyaglaboratóriumot hozott létre egyetemekkel és kutatóintézetekkel együttműködve, modern gyártóbázist épített ki, és 8 teljesen automatizált gyártósort telepített módosított műanyagok és 8 polimer anyagok számára. A létesítmény az új módosított műanyagok és polimer anyagok kutatás-fejlesztésére, gyártására és alkalmazására szolgál. A Kaixin emellett elkötelezett amellett, hogy a legkiválóbb tehetségeket tudományágakban vonzza, folyamatosan ösztönözze a termékinnovációt és a márkafejlesztést, azzal a céllal, hogy világszerte elismert vezető szerepet töltsön be a polimer szelepek, csövek és szerelvények kutatás-fejlesztésében és gyártásában.
Becsületi oklevél
  • honor
  • honor
  • honor
  • honor
  • honor
  • honor
  • honor
  • honor
  • honor
Hírek